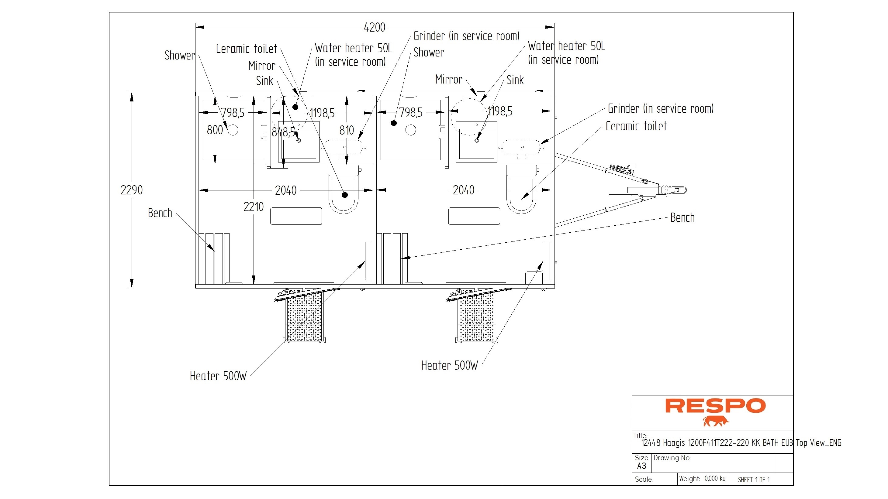
Kuvaus:
Respo on suunnitellut siirrettävään kylpyhuoneeseen kaikki tarvittavat varusteet, jotta se olisi mahdollisimman mukava ja käytännöllinen. Vaunussa on kaksi (2) identtistä kylpyhuonetilaa omilla sisäänkäynneillään. Liitä 230V:n virtajohto sähköjärjestelmään, kytke letkut ja kaikki on valmista! Huoneissa on automaattinen ilmanvaihtojärjestelmä, kostean tilan lämpöpatteri, penkki, peili- ja vaatekoukut. Voimakkaat LED-valot sekä pistorasiat, jotka tarjoavat tehoa kaikkiin tarvittaviin laitteisiin.
Tekniset tiedot:
  • Sisäkorkeus: 2.2 m
  • Korkeus: 3 m
  • Akseli: Kumivääntö
  • Runko: Kastamalla sinkitty
  • Kokonaispaino: 1200 kg
  • Omapaino: 1004 kg
  • Kantavuus: 196 kg
  • Jarrut: Kyllä
Vakiovarusteet:
  • Korkeussäädettävä nokkapyörä pitimeella, kumipyörä
  • Säänkestävä EPS lämmöneristeella lasikuitikomposiitista katto- ja seinäelementit
  • Naarmuja- ja liukumista estävä lattiapinnoite (PVC)
  • LED etuvalot
  • 25m vesiletku
  • Kulmatuet (4kpl)
  • Muoviset lokasuojat
  • Liiketunnistimella ulkovalaisin
  • Sähköpistokkeet 230V
  • 25m sähkökaapeli
  • BEM (39mm) letkunippa ja pikaliitin (3/4”) vesi ja viemäriyhteissä
  • Renkaat M+S